Karbon polad möhürləmə krallı qoz-fındıq, nazik boşqab və ya təbəqə metallarını birləşdirmək üçün istifadə olunan bir bərkidici növdür. Onlar karbon poladdan hazırlanmışdır, sərtliyi artırmaq və səthin sinklənmiş və ya başqa cür korroziyaya davamlıdır.
Sızdırmazlıq klinching qoz olduqca sadədir, standart pnevmatik və ya hidravlik clinching alətlərindən istifadə edə bilərsiniz. Budur, necə işləyir: əvvəlcə qozu əvvəlcədən yumruq bir çuxura qoyun, sonra bir yumruq istifadə edin və təzyiq tətbiq etmək üçün təyin olunmuş ölün. Ölmək, bir sürətli addımda möhkəm bir mexaniki kilid meydana gətirərək, qozun kling yaxası ətrafındakı metal metalları basır.
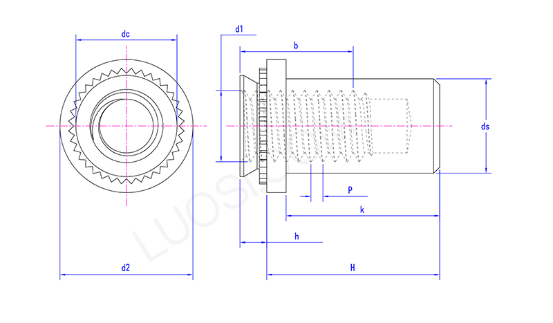
| Mam | M3-1 | M3-2 | M4-1 | M4-2 | M5-1 | M5-2 | M6-1 | M6-2 |
| P | 0.5 | 0.5 | 0.7 | 0.7 | 0.8 | 0.8 | 1 | 1 |
| DS max | 3.84 | 3.84 | 5.2 | 5.2 | 6.35 | 6.35 | 8.75 | 8.75 |
| DC max | 4.2 | 4.2 | 5.38 | 5.38 | 6.33 | 6.33 | 8.73 | 8.73 |
| B dəq | 5.3 | 5.3 | 7.1 | 7.1 | 7.1 | 7.1 | 7.8 | 7.8 |
| H max | 0.91 | 1.38 | 0.97 | 1.38 | 0.97 | 1.38 | 1.38 | 1.38 |
| H max | 9.85 | 9.85 | 11.45 | 11.45 | 11.45 | 11.45 | 14.55 | 14.55 |
| H min | 9.35 | 9.35 | 10.95 | 10.95 | 10.95 | 10.95 | 14.05 | 14.05 |
| K max | 8.5 | 8.5 | 9.8 | 9.8 | 9.8 | 9.8 | 12.7 | 12.7 |
| D2 max | 6.6 | 6.6 | 8.2 | 8.2 | 9 | 9 | 11.35 | 11.35 |
| D2 dəq | 6.1 | 6.1 | 7.7 | 7.7 | 8.5 | 8.5 | 10.85 | 10.85 |
| D1 | M3 | M3 | M4 | M4 | M5 | M5 | M6 | M6 |
Karbon polad möhürlənmiş qoz-fındıqlar əsas ölçmə ilə müəyyən edilir: ip ölçüsü (m4, m5, m6, m6 və ya 1/4 "-20), cəmi boyu, cəmi hündürlüyü, möhürləyən yuyucu ölçüləri və vərəq qalınlığı diapazonu. Siz onları standart metrik və ya imperial mövzularda əldə edə bilərsiniz.
Onların Clinch gücü (onlar söküldükləri və ya büküldükləri nə qədər rədd et) sənaye standartlarına uyğun olaraq sınaqdan keçirilir (düşünün, Din, IFI). Doğru ölçüsü seçmək, böyük bir şeydir, möhürün tutduğundan və qozun iş üçün kifayət qədər güclü olduğundan əmin olur.
Karbon polad möhürləmə klinching qozu quraşdırmaq üçün, xüsusi bir klinging alətinə ehtiyacınız var və qozun ölçüsünə tam uyğun bir dəstə lazımdır. Əvvəlcə qozu təbəqə metalındakı əvvəlcədən yumruq bir çuxura qoyun. Sonra alət, qozun pilotu və knurl lavabonunu ətrafdakı metalya çevirən idarə olunan təzyiq tətbiq edir. Bu soyuq meydana gələn proses paslanmayan polad qozu yaxşı və eyni zamanda yerində kilidləyir, bu, quraşdırılmış sızdırmazlıq yuyucusunu panelə qarşı sıxır. Bu qoz-fındıq bənzərsiz hala gətirən sızma-sübut möhürü necə yaradır.
