Ev > Məhsullar > Sancaqlamaq > Yuvarlaq pin > CNC İşlənmiş Clevis Sancaqları
        CNC İşlənmiş Clevis Sancaqları
        • CNC İşlənmiş Clevis SancaqlarıCNC İşlənmiş Clevis Sancaqları
        • CNC İşlənmiş Clevis SancaqlarıCNC İşlənmiş Clevis Sancaqları

        CNC İşlənmiş Clevis Sancaqları

        2.CNC ilə işlənmiş Clevis sancaqları, dəyirmi başlıqlı ox sancaqlarıdır, sancaqlar deşikləri və çəngəl sancaqlar və ya kilid qoz-fındıqları ilə sabitlənmişdir. Onlar adətən bağlar və idarəetmə qolları kimi mexaniki komponentləri birləşdirmək üçün istifadə olunur. Xiaoguo-nun CNC işlənmiş Clevis sancaqları yüksək dəqiqlik və gücü təmin etmək üçün CNC ilə işlənmişdir, beləliklə siz əminliklə ala bilərsiniz.

        Sorğu göndərin

        Məhsul təsviri

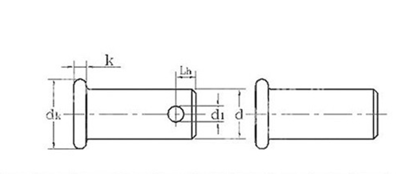
        Biz diametri M3-dən M24-ə qədər və uzunluğu 10 mm-dən 200 mm-ə qədər olan ümumi ölçülərdə CNC İşlənmiş Clevis Sancaqlarını ehtiyatda saxlayırıq, beləliklə, onlar əksər standart deliklərə uyğun olacaqlar. Baş ölçüsü və baldır uzunluğu kimi vacib hissələr adi xüsusiyyətlərə uyğunlaşdırılır.

        CNC Machined Clevis Pins

        Fərqli işlər üçün fərqli dərəcələrimiz var. Gündəlik istifadə üçün müntəzəm və avtomobillərdə və ya təyyarələrdə olduğu kimi daha sıx uyğunlaşmaya ehtiyac duyduğunuzda daha dəqiq bir dərəcə var. Onların hamısı ISO 2341 kimi ümumi qaydalara uyğunlaşdırılıb, buna görə də hər dəfə eyni şeyi əldə edirsiniz. Bu o deməkdir ki, bizim CNC İşlənmiş Clevis Sancaqlarımız əksər avadanlıqlarda standart mötərizələr və hissələri ilə işləmək üçün hazırlanmışdır.

        Məhsulun keyfiyyətinə nəzarət

        Düzgün işlədiyinə əmin olmaq üçün bu CNC İşlənmiş Clevis Sancaqlarında standart keyfiyyət yoxlamaları aparırıq. Ölçülərin düzgün olduğundan əmin olmaq üçün hər biri diametri, uzunluğu və çuxur yerləşdirilməsi kimi şeylər üçün ölçülür. Biz həmçinin materialın düzgün növünü və kifayət qədər möhkəm və sərt olduğunu yoxlamaq üçün onun özünü sınayırıq.

        Problem ola biləcək hər hansı cızıqlar, kobud kənarlar və ya digər işarələr üçün səthə baxırıq. Hər şey ISO 2341 kimi ümumi sənaye qaydalarına uyğun olaraq həyata keçirilir. Biz hər partiya üçün testlərin qeydini saxlayırıq ki, sonra onu izləyə bilək.

        Bu yoxlamalardan keçdikdən sonra, CNC İşlənmiş Clevis Sancaqları müntəzəm işlərə və ya dayanmalı olduqları daha sərt tətbiqlərə getmək üçün yaxşıdır.

        Sual-Cavab Sessiyası

        S: CNC İşlənmiş Clevis Sancaqlarınız hansı standartlara uyğundur?

        A: Standart CNC İşlənmiş Clevis Sancaqlarımız ISO 2341 və ya ANSI B18.8.1 kimi spesifikasiyalara cavab vermək üçün istehsal edilmişdir. Bu, pin diametri, başlıq və çuxur üçün ardıcıl ölçüləri təmin edərək, montajlarınızda etibarlı uyğunlaşma və bir-birini əvəz etmək imkanı verir.

        CNC Machined Clevis Pins


        vahid: mm
        d maks 3 4 5 6 8 10 12 14 16 18 20
        min 2.94 3.925 4.925 5.925 7.91 9.91 11.89 13.89 15.89 17.89 19.87
        dk maks 5 6 8 10 12 14 16 18 20 22 25
        min 4.7 5.7 7.64 9.64 11.57 13.57 15.57 17.57 19.48 21.48 24.48
        k nominal L 1.5 2 2.5 3 3.5 4
        maks 1.625 2.125 2.625 3.125 3.65 4.15
        min 1.375 1.875 2.375 2.875 3.35 3.85
        d1 min 1.6 2 3.2 4 5 5
        maks 1.74 2.14 3.38 4.18 5.18 5.18
        Ls min 1.6 2.2 2.9 3.2 3.5 4.5 5.5 6 6 7 8



        Qaynar Teqlər: CNC İşlənmiş Clevis Sancaqlar, Çin, İstehsalçı, Təchizatçı, Fabrika
        Əlaqədar Kateqoriya
        Sorğu göndərin
        Sorğunuzu aşağıdakı formada verməkdən çekinmeyin. 24 saat ərzində sizə cavab verəcəyik.
        X
        Biz sizə daha yaxşı baxış təcrübəsi təklif etmək, sayt trafikini təhlil etmək və məzmunu fərdiləşdirmək üçün kukilərdən istifadə edirik. Bu saytdan istifadə etməklə siz kukilərdən istifadəmizlə razılaşırsınız. Məxfilik Siyasəti
        Rədd edin Qəbul edin