Ev > Məhsullar > Vint > Çapraz Yivli Vida > Yaxası ilə çarpaz girintili tava başlı vintlər
        Yaxası ilə çarpaz girintili tava başlı vintlər
        • Yaxası ilə çarpaz girintili tava başlı vintlərYaxası ilə çarpaz girintili tava başlı vintlər
        • Yaxası ilə çarpaz girintili tava başlı vintlərYaxası ilə çarpaz girintili tava başlı vintlər
        • Yaxası ilə çarpaz girintili tava başlı vintlərYaxası ilə çarpaz girintili tava başlı vintlər
        • Yaxası ilə çarpaz girintili tava başlı vintlərYaxası ilə çarpaz girintili tava başlı vintlər

        Yaxası ilə çarpaz girintili tava başlı vintlər

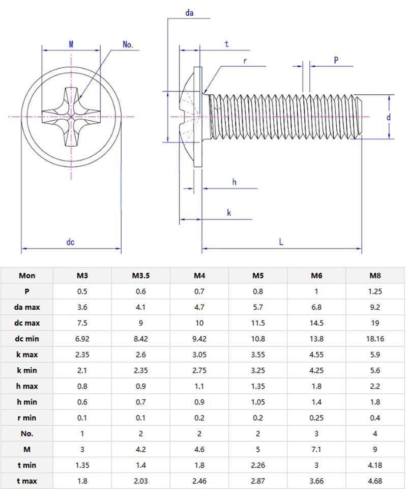
        Yaxası olan çarpaz girintili tava başlı vintlərin ortasında çarpaz girinti olan yuvarlaq başlıq var ki, bu da yaxşı görünür və digər əşyaların ilişib qalma şansını azaldır. Xiaoguo® zavodu davamlı, sıfır qüsurlu vintlər təmin etmək üçün ciddi keyfiyyətə nəzarət sisteminə malikdir.
        Model:DIN 967-1994

        Sorğu göndərin

        Məhsul təsviri

        Yaxası ilə çarpaz girintili pan başlı vintlərxüsusi iş üçün uyğun materiallardan istifadə edin. Paslanmayan polad növləri (məsələn, 304/316 markaları) paslanmaya meylli ərazilərdə istifadə olunur, korroziyanı daha yaxşı idarə edirlər. Alaşımlı polad vintlər yüksək gərginliyə ehtiyacı olan çətin işlərdə sərtləşdirmək üçün istiliklə müalicə olunur. Daha yüngül bir şey lazımdır? Alüminium və ya pirinç seçimləri yaxşı işləyir və təmiz görünərkən yaxşı dayanır.

        Onlar sink örtük (aşınma ilə mübarizə aparır) və ya qara oksid (keçiriciliyə kömək edir) kimi örtüklərlə gəlirlər. Doğru materialın seçilməsi o deməkdir ki, bu vintlər çəki məhdudiyyətləri, istiliyə dözümlülük və ətraf mühit performansı üçün sənaye xüsusiyyətlərinə toxunur. Əsasən, əksər vəziyyətləri əhatə etmək üçün seçimləri var.


        Məhsuldan istifadə təlimatları

        Bu vintdən istifadə edərkən ilk növbədə onun ölçüsünə uyğun çarpaz tornavida hazırlamalısınız. Sonra, hissələri düzəltmək üçün lazım olan mövqeyi tapın və mövcud yivli çuxur yoxdursa, bir çuxur düzəldin. Sonra vinti çuxura qoyun, çarpaz tornavida başındakı çarpaz girinti ilə hizalayın. Tornavidanı möhkəm tutun və vint sıxılana qədər saat yönünün əksinə çevirin. Vidadakı yaxa hissənin səthi ilə sıx uyğunlaşacaq, buna görə əlavə yuyucuları əlavə etmək lazım deyil. Onu çox sərt çevirməyin, əks halda ipə və ya tornavidaya zərər verə bilər. Taxta, plastik və ya nazik metaldan hazırlanmış hissələri düzəltmək üçün uyğundur. Yaxalı Çapraz Yıxılmış Tava Başlı Vintləri istifadə etmək asandır, hətta quraşdırmada çox təcrübəsi olmayan insanlar üçün belə, bu addımları izləməklə əməliyyatı rahat şəkildə başa çatdıra bilərlər.




        Cross recessed pan head screws with collar


        Proqramlar

        Yaxası ilə çarpaz girintili pan başlı vintlərbir çox müxtəlif sənaye sahələrində vacibdir. Avtomobil istehsalında onlar daxili panelləri saxlayır və kənarları kənara çıxmadan yerində düzəldirlər. Elektronika şirkətləri onlardan cihaz qutularını birləşdirmək üçün istifadə edirlər, çünki yer dar olduğundan, çox yer tutmayan düz vintlər lazımdır. Mebel istehsalçıları bu vintlər ilə menteşələri və ya çekmece slaydlarını bağlayırlar ki, onlar nəzərə çarpmasın.

        Dəniz avadanlığı və ya açıq işarələr üçün pasa davamlı versiyalar mütləqdir, onlar nəm və ya sərt mühitlərə dözürlər. HVAC sistemlərində onlar kanal hissələrini qoruyur və vibrasiyadan çıxmır. Tibb sahəsində avadanlıqların yığılması üçün sterilizasiya oluna bilən paslanmayan poladdan istifadə olunur. Hətta DIY layihələri üçün, məsələn, işıq qurğuları və ya dekorativ metal parçaların quraşdırılmasıyaxası ilə çarpaz girintili pan baş vintləriyaxşı işləyir, onların bir çox fərqli istifadə üçün nə qədər çox yönlü olduğunu göstərir.

        Cross recessed pan head screws with collar parameter

        Qablaşdırma variantları

        S: Toplu sifarişlər üçün hansı qablaşdırma variantları mövcudduryaxası ilə çarpaz girintili pan baş vintləri?

        A:Yaxası ilə çarpaz girintili pan başlı vintlərtoplu olaraq qablaşdırılır, deyək ki, PVC və ya PE torbalar, quru saxlamaq üçün quruducu ilə vakuumla möhürlənmiş və ya etiketli plastik və ya kağız qutulara çeşidlənmişdir. Avtomatlaşdırılmış montaj xətləri üçün biz lent və rulon qablaşdırmada gəlirik. Xaricə göndərilərkən, tranzit zamanı onları qorumaq üçün pas əleyhinə VCI kağızı ilə üzlənmiş dənizə yararlı kartonlardan istifadə edəcəyik.

        Standartvintləradətən 1.000-10.000 ədəd partiyalarla göndərilir, digər minimum sifariş miqdarları (MOQ) materialdan və ölçüdən asılı olaraq dəyişir. Böyük sifarişlər üçün, işləməyi asanlaşdırmaq üçün onları paletləşdirin.

        Qaynar Teqlər: Yaxalı Çapraz Yıxılmış Tava Başlı Vintlər, Çin, İstehsalçı, Təchizatçı, Zavod
        Əlaqədar Kateqoriya
        Sorğu göndərin
        Sorğunuzu aşağıdakı formada verməkdən çekinmeyin. 24 saat ərzində sizə cavab verəcəyik.
        X
        Biz sizə daha yaxşı baxış təcrübəsi təklif etmək, sayt trafikini təhlil etmək və məzmunu fərdiləşdirmək üçün kukilərdən istifadə edirik. Bu saytdan istifadə etməklə siz kukilərdən istifadəmizlə razılaşırsınız. Məxfilik Siyasəti
        Rədd edin Qəbul edin