Ne neylon daxil kilid qozudaxili iplərdə bir neylon yaxası olan özünü kilidləyən bir bərkidicidir. Boltun üzərinə vidalananda neylon ipləri kilidləyir və qozu titrəmə və ya hərəkət olduqda asanlıqla gevşetin.

BuNe neylon daxil kilid qozusink örtüklü polad və ya paslanmayan polad kimi materiallardan hazırlanmışdır, bu, etibarlılığın vacibliyi olan maşın, nəqliyyat vasitələri və ya avadanlıqlar üçün hazırlanmışdır. Daimi qoz-fındıqdan fərqli olaraq,Ne neylon daxil kilid qozuƏlavə kilid yuyucuları və ya yapışdırıcılar tələb etmir - öz-özünə kilidlənir. Qurmaq, təkrar istifadə etmək (məhdudiyyətlər içərisində) və həm sənaye qurğusunda və gündəlik təmir işləri üçün sadədir.
İstifadə etməkNe neylon daxil kilid qozusilkələyən və ya hərəkət edən hissələri təmin etmək. Nümunələr: Konveyer çarpayıcılarını yerində saxlamaq və ya tənzimlənən hissələrlə birlikdə ofis stullarını toplamaq üçün bərkitmə motosikleti ayaqları. Bağlandıqları və hava şəraiti standart qoz-fındıqları gevşetin olduğu bağ qoşquları və ya velosiped çarxları kimi açıq avadanlıqlar üçün də əlverişlidir. Ev seminarlarında, istifadə zamanı titrəyən elektrik alətləri komponentlərini düzəltmək və ya elektrik alət komponentlərini təmin etmək üçün əladır.
GörəcəksənNe neylon daxil kilid qozuAvtomobil istehsalında (mühərrik montajları, asma hissələri), HVAC sistemləri (fan bıçaqları və ya kanalları təmin etmək) və paltaryuyan maşınlar və ya məşq velosipedləri kimi istehlak malları. Kənd təsərrüfatı maşınları, velosipedlər və elektronikasiyalarda, hər yerdə titrəmələr və ya tez-tez düzəlişlər adi qoz-fındıqları da artıra bilər.

| Bazar |
Ümumi gəlir (%) |
| Şimali Amerika |
14 |
| Cənubi Amerika |
10 |
| Şərqli Avropa |
16 |
| Cənub-Şərqi Asiya |
10 |
| Şərqdə |
7 |
| Şərqi Asiya |
17 |
| Qərbi Avropa |
12 |
| Cənubi Asiya |
6 |
| Yerli bazar |
8 |
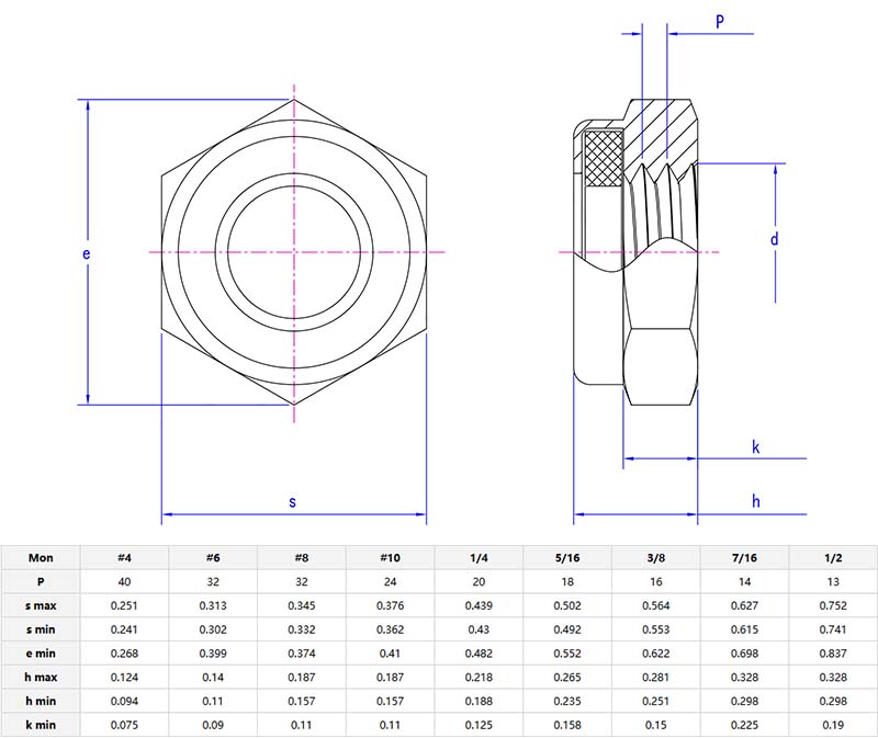
Xiaoguo® özelleştirebilirNTe neylon daxil kilid fındıqsizin üçünboltlar. Altıbucaqlı formaqozStandart bir açar və içərisindəki neylon taxılamağa davamlıdır. Nümunələri təqdim edə bilərik və pulsuz nümunələrin böyük bir sifariş vermədən əvvəl ehtiyaclarınıza cavab verdiyini sınaya bilərsiniz.