Self lövbərləmək genişləndirmə boltları əsasən vintlər, genişləndirmə borularından, qoz-fındıq və digər hissələrdən ibarətdir. Quraşdırma zamanı qozu bərkitərək, vida, bura içərisində genişləndirmək üçün genişləndirmə borusunu genişləndirəcək, beləliklə onu divara və ya digər baza səthinə möhkəm bir şəkildə düzəltmək üçün genişləndirmə borusunu idarə edəcəkdir.
	
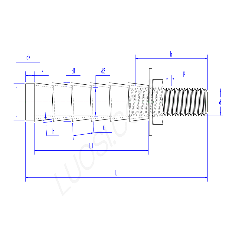
| Mam | M6 | M8 | M10 | M12 | M16 | M20 | M22 | M24 | 
| P | 1 | 1.25 | 1.5 | 1.75 | 2 | 2.5 | 2.5 | 3 | 
| Dk max | 10 | 12 | 14 | 16 | 20 | 24 | 26 | 28 | 
| Dk min | 9 | 11 | 13 | 15 | 19 | 23 | 25 | 27 | 
| L1 | 45 | 60 | 70 | 75 | 100 | 125 | 150 | 180 | 
| k | 5 | 5 | 5 | 5 | 5 | 5 | 5 | 5 | 
| D1 | 9.8 | 11.8 | 13.8 | 15.8 | 19.8 | 23.8 | 25.8 | 27.8 | 
| D2 | 6.2 | 8.2 | 10.2 | 12.2 | 16.2 | 20.2 | 22.2 | 24.2 | 
| h | 0.6 | 0.8 | 0.8 | 0.8 | 0.9 | 1 | 1 | 1.2 | 
| t | 10 | 12 | 12 | 14 | 14 | 16 | 16 | 20 | 
| L | 65 | 85 | 100 | 110 | 150 | 200 | 250 | 300 | 
	
Self-lövhə genişləndirmə boltu beton və ya hörgü quruluşlarında möhkəm bir anchor obyektləri bilər. Sadəcə çuxur qazmaq, boltlar daxil etmək və sonra fındıqları bərkitmək lazımdır. Sıxıldıqda, boltun özü də çuxur içərisində genişlənəcəkdir. Adətən konusun qoluna çəkilməsi, bununla da möhkəm mexaniki bir kilid yaratmaq və divara möhkəm bir şəkildə düzəltməklə meydana gəlir.
	
Özünü lövbərləndirmə genişləndirmə boltlarının quraşdırılması çox sadədir: Düzgün ölçülü deşiklər qazın, tozu çıxarın, boltları bir çəkiclə döyün və sonra qoz-fındıqları bir açarla bərkidin. Dartma prosesi zamanı genişləndirmə mexanizmi baza materialını açmaq və qətiyyətlə başa düşmək məcburiyyətində qalır. Bu, möhkəm bir fiksasiya əldə edə biləcək bir birbaşa "quraşdırın və sıxın" prosesidir.
	
Məsələn, mötərizəni beton divara düzəldin, mexaniki bazanı yerə qoyun, əli düzəldin və ya sütunu Fonda düzəldin. Bağlı beton, kərpic və ya bloklarda orta, kərpic və ya bloklarda ağır əməliyyatlar üçün çox uyğundur, burada təməl qurulduqdan sonra güclü və ayrıla bilən lövbər nöqtəsi əlavə etməlisiniz.
	
Özünü lövbərləmək genişləndirmə boltlarının güclü uyğunlaşması var. Fərqli baza təyyarələrində güclü uyğunlaşma var. İstər konkret bir divar, bir kərpic divar və ya bəzi taxta quruluş olub-olmaması, müvafiq dəliklər qazıldığı müddətcə çox yaxşı bir lövbər rolunu oynaya bilər. Üstəlik, fərqli spesifikasiyalara gəlir. Əsl quraşdırma tələblərinə və baza səthinin vəziyyətinə görə, müxtəlif quraşdırma ssenarilərinə cavab vermək üçün müvafiq ölçü seçilə bilər.
	