Ev > Məhsullar > T baş lövbər vintləri
      T baş lövbər vintləri
      • T baş lövbər vintləriT baş lövbər vintləri
      • T baş lövbər vintləriT baş lövbər vintləri
      • T baş lövbər vintləriT baş lövbər vintləri

      T baş lövbər vintləri

      İstənilən vaxt Xiaoguo ® şirkəti tərəfindən istehsal olunan yüksək keyfiyyətli T başlı lövbər vintlərini yoxlaya bilərsiniz. T-formalı baş, lövbərlik yivinə quraşdırmağı asanlaşdırır. Seçmək üçün sizə müxtəlif ölçülər təklif edə bilərik. Həmişə sizə uyğun bir vida olacaq.
      Model:CNS 4947-1979

      Sorğu göndərin

      Məhsul təsviri

      T baş panjer vintləri lövbər fiksasiyası üçün istifadə olunan bərkidicilər, T-formalı baş, lövbərlik yivinə quraşdırmağı asanlaşdırır.Xiaoguo®Seçmək üçün sizə müxtəlif ölçülər təklif edə bilər. Həmişə sizə uyğun bir vida olacaq.

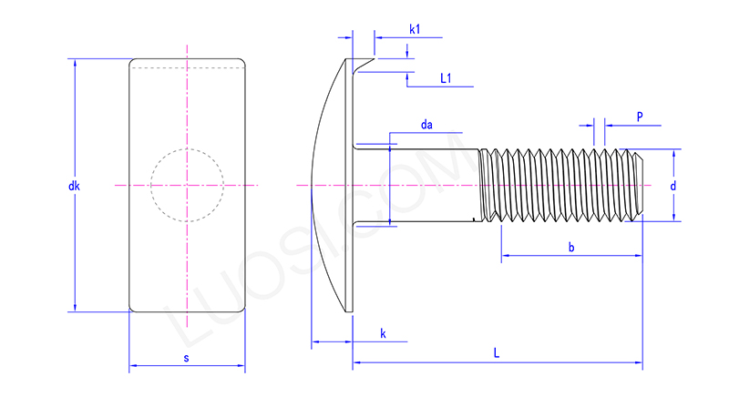
      T-nin başı lövbər vidasının başı, t-formalı yivdə sıxılmış vəziyyətdə fırlanmaması üçün uyğun olan T-formalı yivdə əlverişli olan bir t-nin şəklindədir. Vidanın quyruğu xüsusi olaraq bir lövbər kimi bazada möhkəm bir şəkildə düzəldilməsi üçün hazırlanmışdır.

      Quraşdırma və tətbiq:

      Bu lövbər vintləri yüksəlmiş qapıların izlərini düzəltmək üçün istifadə edilə bilər. Boltlardan daha sürətli quraşdırılmışdır. Onları heç bir fiksasiya vasitəsi olmadan yüksəlmiş polad yivlərə sürüşdürün. Anbarı quraşdırarkən bir əl ilə bərkidilə bilər və bir nərdivanın köməyi ilə balanslaşdırılmışdır. Ağır parçaları düzəltmək üçün istifadə olunur.

      T Head lövbər vintləri HVAC üçün boru dayaqları kimi istifadə edilə bilər. Betonları betonda asmaq onları bir neçə saat saxlaya bilər. UNISTIM-ə daxil edin və bir zərbə tornavida ilə tavana vurun. Heç bir bələdçi çuxuruna ehtiyac yoxdur. Bir işçi iki paz formalı çapa qurğusunu tamamlaya bilər.

      Bu vintlər mədən konveyerinin çərçivəsini düzəltmək üçün istifadə olunur. Onlar yeraltı möhkəm çərçivələrin bolt düzülməsi üçün istifadə olunur və toza qarşı çıxa bilər. T-formalı başı əyri kanala çəkin; Mövzular aşınmış poladdan tuta bilər. Heyət komponentləri hər 15 dəqiqədən bir növbədə dəyişir.

      Parametrlər:

      Mam M12
      P 1.75
      k 7
      k1 5
      L1 3
      Bəli max 15.2
      dk 55
      s 20

      Məhsul satışı nöqtəsi:

      T-nin başı lövbər vintləri, fiksasiya və quraşdırmaq üçün rahatdır. İki əsas xüsusiyyətə malikdir: T şəkilli baş və lövbərləmə funksiyası. Quraşdırıldıqda, təkrar mövqe tənzimlənməsinə ehtiyac olmadan birbaşa T-yuvaya daxil edilə bilər. Çapa quruluşu onu daha möhkəm və daha möhkəm saxlayır və gevşetmənin qarşısını alır. Və kompleks peşəkar vasitələr tələb olunmur. Bundan əlavə, geniş tətbiqetmələrə malikdir və bir çox sahədə və ssenarilərdə istifadə edilə bilər.



      Qaynar Teqlər: T head anchor screws, China, Manufacturer, Supplier, Factory
      Sorğu göndərin
      Sorğunuzu aşağıdakı formada verməkdən çekinmeyin. 24 saat ərzində sizə cavab verəcəyik.
      X
      Biz sizə daha yaxşı baxış təcrübəsi təklif etmək, sayt trafikini təhlil etmək və məzmunu fərdiləşdirmək üçün kukilərdən istifadə edirik. Bu saytdan istifadə etməklə siz kukilərdən istifadəmizlə razılaşırsınız. Məxfilik Siyasəti
      Rədd edin Qəbul edin