Ev > Məhsullar > Vint > Digər vintlər > 12 Nöqtəli Flanşlı Vida Azaldılmış Saplı
        12 Nöqtəli Flanşlı Vida Azaldılmış Saplı
        • 12 Nöqtəli Flanşlı Vida Azaldılmış Saplı12 Nöqtəli Flanşlı Vida Azaldılmış Saplı
        • 12 Nöqtəli Flanşlı Vida Azaldılmış Saplı12 Nöqtəli Flanşlı Vida Azaldılmış Saplı
        • 12 Nöqtəli Flanşlı Vida Azaldılmış Saplı12 Nöqtəli Flanşlı Vida Azaldılmış Saplı

        12 Nöqtəli Flanşlı Vida Azaldılmış Saplı

        Azaldılmış sapı olan 12 nöqtəli flanşlı vint möhkəm fiksasiya tələb edən, həm də materialın qalınlığını azaltmaq istəyən tətbiqlər üçün olduqca uyğundur. Torku daha yaxşı idarə edə bilərsiniz, beləliklə, bərkidərkən sürüşməsin. Xiaoguo® şirkəti praktik həllər təklif edir.

        Sorğu göndərin

        Məhsul təsviri

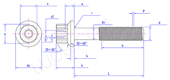
        12 nöqtəli flanşlı vint, azaldılmış sapı olan başın 12 küncü var. Aşağıdakı flanş plitəsi bir contaya bənzəyir, əlaqəli materialla təmas sahəsini artırır. Ortadakı nazik çubuq hissəsi adi vida çubuqları ilə müqayisədə daha kiçikdir və bəzi xüsusi ssenarilərdə tətbiq olunur.

        Məhsul parametrləri

        Bazar ertəsi #10
        P 32
        d1 0.1
        dc 0.375
        ds maks 0.171
        ds min 0.161
        e 0.278
        h maks 0.05
        h min 0.04
        k 0.26
        r min 0.015
        r maks 0.025
        s maks 0.251
        s min 0.243
        w 0.13

        Xüsusiyyətlər

        Bu 12 nöqtəli baş flanşlı vint hidravlik nasosun quraşdırılması üçün istifadə edilə bilər. Yüksək təzyiqli nasos silkələnə bilər, bu da quraşdırma boltlarının boşalmasına səbəb olur. Qısa sap dizaynı boyun vibrasiyasını udmaq qabiliyyətinə malikdir. Flanşın sızdırmazlığı yağ sızmasının qarşısını ala bilər və ayrıca bir conta tələb etmir. Standart boltlar bir neçə ay ərzində qırılacaq, halbuki bu boltlar 10.000 saatdan çox işləməyə davam edə bilər.

        Egzoz manifoldunun birləşdirilməsi üçün azaldılmış sapı olan 12 nöqtəli flanşlı vint istifadə edilə bilər. Turbin manifoldu istilik gərginliyi səbəbindən bolt dəliklərində çatlaya bilər. Onlar bu problemi həll edə bilərlər. Vida çubuğu stresin qırılmasının qarşısını almaq üçün 800 ° C-də bir termal dövr ərzində əyilə bilər. Sökərkən altıbucaqlı başlıqdan daha paslanmaya davamlıdır. Nikel tutma əleyhinə vasitə tətbiq etməyinizə əmin olun. Onun xidmət müddəti adi boltlardan iki dəfə uzundur.

        Bu 12 nöqtəli baş flanş vintləri çəki azalda bilər. İpin altındakı daha dar hissə, gücü itirmədən maddi itkini azalda bilər. Təyyarə panelləri və ya yarış avtomobilləri kimi çəkiyə həssas tətbiqlər üçün olduqca uyğundur. Flanşlar hələ də daxili contalar kimi istifadə edilə bilər.

        Üstünlük

        12 nöqtəli baş flanşlı vida azaldılmış sapı ilə güclü bərkitmə qüvvəsinə malikdir. Sıxıldıqda böyük fırlanma momentinə tab gətirə bilər. Flanş plitəsi sürtünməni artırdığı üçün titrəmə mühitində gevşetmək də çox çətindir. Bu, təhlükəsizlik təhlükələrini və avadanlığın boşalma nəticəsində yaranan nasazlıqlarını azaldıb. Bundan əlavə, quraşdırma zamanı nazik çubuq dizaynı onun daha incə materiallardan və ya kiçik dəliklərdən daha asan keçməsinə imkan verir. İstifadəsi asandır və vaxta və işçi qüvvəsinə qənaət edir.

        12 Point Flange Screw With Reduced Shank

        Qaynar Teqlər: 12 Nöqtəli Flanşlı Vida, Çin, İstehsalçı, Təchizatçı, Zavod
        Əlaqədar Kateqoriya
        Sorğu göndərin
        Sorğunuzu aşağıdakı formada verməkdən çekinmeyin. 24 saat ərzində sizə cavab verəcəyik.
        X
        Biz sizə daha yaxşı baxış təcrübəsi təklif etmək, sayt trafikini təhlil etmək və məzmunu fərdiləşdirmək üçün kukilərdən istifadə edirik. Bu saytdan istifadə etməklə siz kukilərdən istifadəmizlə razılaşırsınız. Məxfilik Siyasəti
        Rədd edin Qəbul edin