Ev > Məhsullar > Qoz > Əl Vida Qoz > Yaxalı Qaynaqlı Dəyirmi Düymələr
        Yaxalı Qaynaqlı Dəyirmi Düymələr
        • Yaxalı Qaynaqlı Dəyirmi DüymələrYaxalı Qaynaqlı Dəyirmi Düymələr
        • Yaxalı Qaynaqlı Dəyirmi DüymələrYaxalı Qaynaqlı Dəyirmi Düymələr

        Yaxalı Qaynaqlı Dəyirmi Düymələr

        Dəqiq xətti hərəkət üçün, XIAO GUO-nun Yaxa Rolling Nut ilə qabaqcıl Dəyirmi Düymələrini seçin. Top vintləri üçün nəzərdə tutulmuşdur, hamar, yüksək effektiv hərəkəti təmin edir və bizi CNC və avtomatlaşdırma sistemləri üçün Yaxası Rolling Nut ilə etibarlı Çin Dəyirmi Düymələr təchizatçısına çevirir.

        Sorğu göndərin

        Məhsul təsviri

        Birincisi, yaxası yayma qozunun ölçüsü ilə Dəyirmi Düymələrə uyğun olan təbəqə metalda bir deşik qazın. Çuxuru çox böyük etməyin - əks halda düzgün bağlanmayacaq. Çuxurda qalan metal qırıntılarını təmizləyin; quraşdırmanın qarşısını ala bilərlər.

        Sonra qozu əvvəlcədən qazılmış çuxura qoyun və təbəqəyə düz oturduğundan əmin olun. Qozun üst hissəsinə uyğun bir kalıp ilə standart pres alətindən istifadə edin. Alətə sabit, bərabər təzyiq tətbiq edin - o, yerində kilidləndikdə yüngül bir "klik" hiss edəcəksiniz. Təhlükəsiz olduğundan əmin olmaq üçün təzyiqi 1-2 saniyə saxlayın.

        çəkic zərbələrindən istifadə etməyin; bu qozun əyilməsinə və ya metal təbəqəyə zərər verə bilər. Ən yaxşı şəkildə nazik və orta təbəqə metal üzərində işləyir (0,5-2 mm qalınlığında). Quraşdırıldıqdan sonra qoz fırlanmadan boltu rəvan vidalaya bilərsiniz. Yaxalı Rolling Nut ilə Dəyirmi Düymələr hətta yeni başlayanlar üçün də istifadə etmək asandır, mürəkkəb bacarıqlara ehtiyac yoxdur.

        Məhsulun qablaşdırılması

        Fındıqları təhlükəsiz saxlamaq üçün sadə, praktik qablaşdırmadan istifadə edirik. Kiçik sifarişlər və ya nümunələr üçün onlar şəffaf plastik torbalara yığılır - adətən hər çantada 100 və ya 200 ədəd. Hər bir çantanın ölçüsü, materialı və partiya nömrəsi olan əsas etiketi var, beləliklə ehtiyac duyduğunuzu asanlıqla tapa bilərsiniz.

        Toplu sifarişlər möhkəm kartonlara daxil olur. Qozun ölçüsündən asılı olaraq, hər kartonda 5000-dən 10000 ədədə qədər olur. Göndərmə zamanı onların cızılmaması və ya hərəkət etməməsi üçün içərisinə köpük və ya köpük örtüyü qoyuruq. Kartonlarda “quru saxlamaq” və ya “ağır əşyaların yığılmaması” kimi açıq-aşkar işləmə işarələri var.

        Əgər xüsusi qablaşdırmaya ehtiyacınız varsa, məsələn, çantalardakı loqotipiniz və ya paket başına müəyyən miqdarda - sifariş verərkən bizə bildirin. Əlavə dəbdəbəli əşyalar yoxdur, sadəcə saxlama və göndərmə üçün nə işləyir. Bu, əksər kiçik emalatxanalara, böyük fabriklərə və ya DIY istifadəçilərinin ehtiyaclarına uyğun gələn bu standart variantlarda gəlir.

        Round Knobs With Collar Rolling Nut

        Sual-Cavab Sessiyası

        Yaxalı Rolling Nut ilə Dəyirmi Düymələr üçün təbəqə metalın hansı qalınlığı uyğundur?  

        A:O, qalınlığı 0,5 mm-dən 2,5 mm-ə qədər olan nazik və orta təbəqə metal üzərində yaxşı işləyir. Çox qalın metal onun düzgün bağlanmasına imkan vermir və çox nazik quraşdırma zamanı deformasiyaya uğraya bilər. Soyuq haddelenmiş polad, alüminium və paslanmayan polad təbəqələr kimi ümumi materiallar hamısı yaxşıdır. Sadəcə əvvəlcədən qazılmış deşik ölçüsünün qozun xarici diametrinə uyğun olduğundan əmin olun - istinad üçün ehtiyacınız olarsa, ölçü cədvəlini təqdim edə bilərik.  

        Round Knobs With Collar Rolling Nut

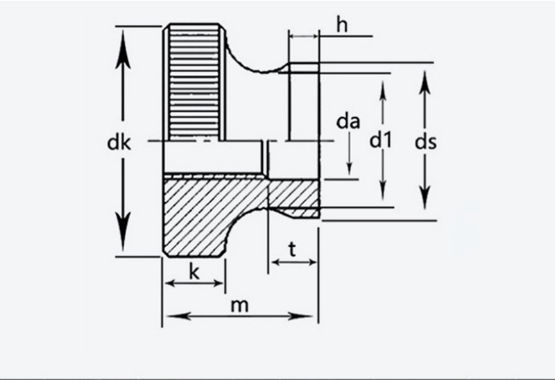
        ölçüsü Pitch Xarici diametri Hündürlük k ds da d1 T h
        maks min maks min maks min maks min maks
        M3 0.5  11  10.7  6.64  2.8  5.7  3.5  3.2  5.2  1.2 
        M4 0.7  12  11.7  7.64  7.64  4.5  4.2  6.4  2.5  1.5 
        M5 0.8  16  15.7  10  96.6  10  9.64  5.5  5.5 
        M6 20  19.7  12  11.6  12  11.6  6.56  6.2  11  2.5 
        M8 1.25  24  23.7  16  15.6  16  15.6  8.86  8.5  13 
        M10 1.5 30 29.7 20 19.5 8 20 19.5 10.9 10.5 17.2 6.5 3.8
        Qaynar Teqlər: Yaxalı Rolling Nut ilə Dəyirmi Düymələr, Çin, İstehsalçı, Təchizatçı, Zavod
        Əlaqədar Kateqoriya
        Sorğu göndərin
        Sorğunuzu aşağıdakı formada verməkdən çekinmeyin. 24 saat ərzində sizə cavab verəcəyik.
        X
        Biz sizə daha yaxşı baxış təcrübəsi təklif etmək, sayt trafikini təhlil etmək və məzmunu fərdiləşdirmək üçün kukilərdən istifadə edirik. Bu saytdan istifadə etməklə siz kukilərdən istifadəmizlə razılaşırsınız. Məxfilik Siyasəti
        Rədd edin Qəbul edin