Ev > Məhsullar > Vint > Digər vintlər > Yaylı Vida
        Yaylı Vida
        • Yaylı VidaYaylı Vida
        • Yaylı VidaYaylı Vida
        • Yaylı VidaYaylı Vida
        • Yaylı VidaYaylı Vida
        • Yaylı VidaYaylı Vida

        Yaylı Vida

        Yaylı vintlər tez-tez avtomobil və ya elektronika kimi vibrasiya müqaviməti, istilik genişlənməsi kompensasiyası və ya idarə olunan sıxma qüvvəsi tələb edən tətbiqlərdə istifadə olunur. Xiaoguo® peşəkar xidmətlər göstərən peşəkar avadanlıq və peşəkar heyətə malikdir və tanınmış Çin istehsalçısıdır.

        Sorğu göndərin

        Məhsul təsviri

        Yay yüklü vida daha yaxşı işləmək və daha uzun müddət işləmək üçün müxtəlif qabaqcıl səth müalicəsi alır. Ümumi olanlara pasla mübarizə aparmaq və daha yaxşı görünmək üçün bəzən sarı, mavi və ya şəffaf xromat passivasiyası olan elektrolizlənmiş sink daxildir. Sərt Geomet® (bu, Dacromet kimi, sink lopa örtüyü), davamlı fosfat örtükləri (yağ saxlamaq və sürtünməni tənzimləmək üçün manqan və ya sink fosfat kimi) və ya dəbdəbəli quru film sürtkü yağları da var.


        Paslanmayan yaylı vida, təbii korroziya müqavimətini artırmaq üçün adətən passivləşdirilir. Bu müalicələr onları paslanmadan saxlayır, quraşdırdığınız zaman sürtünməni azaldır (beləliklə, siz daha dəqiq sıxac yükü əldə edirsiniz) və hətta onlara xüsusi elektrik xüsusiyyətləri verə bilər.

        Məhsul parametrləri

        Bazar ertəsi 440 632 832 032
        P 40 32 32 32
        d1 #4 #6 #8 #10
        d2 maks 0.202 0.218 0.249 0.311
        dk maks 0.416 0.448 0.478 0.54
        dk min 0.396 0.428 0.458 0.52
        h maks 0.038 0.038 0.038 0.038
        k maks

        0.128

        0.128 0.128 0.12
        k min0,118 0.118 0.118 0.118 0.11
        H maks 0.207 0.207 0.212 0.225
        H min 0.197 0.197 0.202 0.215




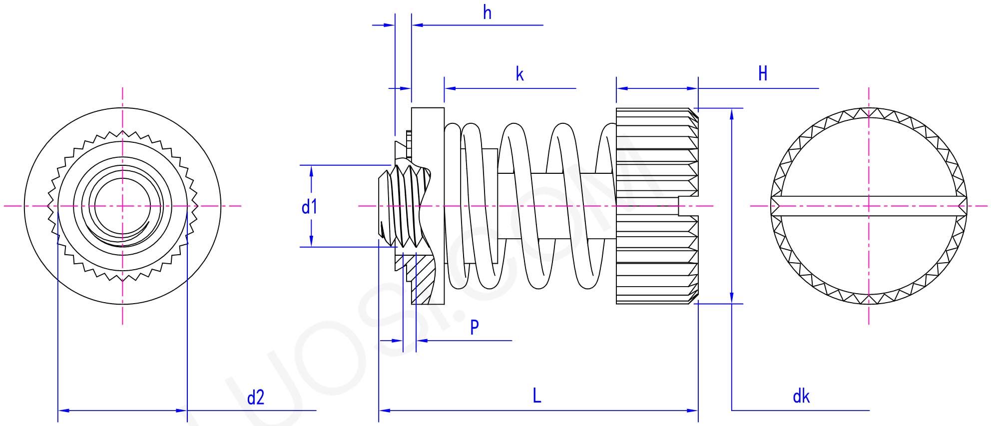
        Ölçü

        Yaylı vida müxtəlif mühəndislik ehtiyaclarına uyğun olaraq ton ölçüdə və növdə olur. Metrik iplər üçün ümumi ölçülər incə iplik M2-dən M12-ə qədər və ya daha böyük olur. İmperator ölçüləri diametri # 4 ilə 1/2 düym arasında dəyişir. Uzunluqlar tətbiqdə nə qədər dərinliyə getməli olduqlarından asılı olaraq çox dəyişir.


        Əhəmiyyətli xüsusiyyətlərə ipin hündürlüyü, baş tərzi (məsələn, altıbucaqlı, flanş, düymə və ya rozetka qapağı), sürücü növü (altıbucaqlı yuva, Phillips, Torx®) və quraşdırılmış yay hissəsinin dizaynı (düşün ki, Belleville yuyucusu, dalğa yayı və ya xüsusi ip forması). Əksəriyyəti DIN, ISO və ya OEM-lərin tələb etdiyi standartlara əməl edir.

        Spring Loaded Screw

        Keyfiyyət standartları və sənaye sertifikatları

        S: ISO və ya xüsusi sənaye sertifikatları kimi beynəlxalq keyfiyyət standartlarına uyğundurmu?

        A: Bəli, biz istehsala ciddi yanaşırıq. Yaylı vintlərimiz keyfiyyətə nəzarət üçün ISO 9001 kimi ISO standartlarına uyğun hazırlanır. Əgər sənaye üçün xüsusi sertifikatlara ehtiyacınız varsa, biz bunu da edə bilərik, məsələn, avtomobil üçün IATF 16949 və ya aerokosmik üçün AS9100. Biz hər partiya üçün material sertifikatlaşdırma hesabatlarını (MTC) və ölçü yoxlamalarını təmin edə bilərik. Beləliklə, materialların haradan gəldiyini izləyə və hər şeyin layihənizin xüsusiyyətlərinə cavab verdiyinə əmin ola bilərsiniz.


        Qaynar Teqlər: Yaylı Vida, Çin, İstehsalçı, Təchizatçı, Fabrika
        Əlaqədar Kateqoriya
        Sorğu göndərin
        Sorğunuzu aşağıdakı formada verməkdən çekinmeyin. 24 saat ərzində sizə cavab verəcəyik.
        X
        Biz sizə daha yaxşı baxış təcrübəsi təklif etmək, sayt trafikini təhlil etmək və məzmunu fərdiləşdirmək üçün kukilərdən istifadə edirik. Bu saytdan istifadə etməklə siz kukilərdən istifadəmizlə razılaşırsınız. Məxfilik Siyasəti
        Rədd edin Qəbul edin