Ev > Məhsullar > Qaynaq qoz-fındıq > Qaynaq vintü > Metrik dişli qaynaq vinti
        Metrik dişli qaynaq vinti
        • Metrik dişli qaynaq vintiMetrik dişli qaynaq vinti
        • Metrik dişli qaynaq vintiMetrik dişli qaynaq vinti
        • Metrik dişli qaynaq vintiMetrik dişli qaynaq vinti

        Metrik dişli qaynaq vinti

        Metrik saplı qaynaq vinti metal səthə qaynaq etmək üçün istifadə olunur, sonra isə digər komponentləri birləşdirmək üçün metrik iplər istifadə olunur. Xiaoguo® şirkətinin anbarda kifayət qədər mal ehtiyatı var. Onlar metal istehsalı, avtomobil panelləri və ya sənaye çərçivələri üçün uyğundur.
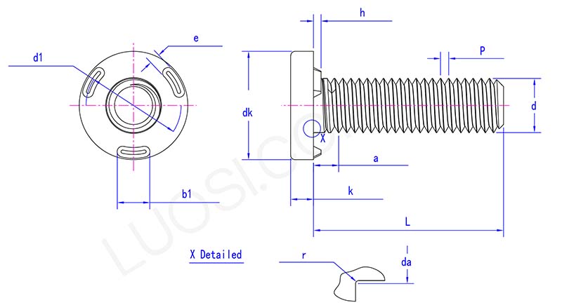
        Model:DIN 34817-2001

        Sorğu göndərin

        Məhsul təsviri

        Bazar ertəsi
        M5 M6 M8 M10 M12 M14
        P
        0.8 1 1.25 1.5 1.5 1.5
        maks
        2.4 2.8 3.7 4.4 4.6 4.6
        dk maks
        10 12 16 20 24 28
        dk dəq
        9.64 11.57 15.57 19.48 23.48 27.48
        d1 dəq
        7.85 9.75 13.25 17.15 21.15 25.20
        d1 maks
        8.21 10.11 13.68 17.58 21.67 25.72
        h maks
        0.8 0.8 1.2 1.4 1.6 1.6
        h min
        0.7 0.7 1.1 1.3 1.5 1.5
        k maks
        2.2 2.7 3.2 4.2 5 5.8
        k dəq
        1.8 2.3 2.8 3.8 4.6 5.4
        r min
        0.1 0.15 0.15 0.15 0.15 0.2
        e maks
        1.7 1.7 2.2 2.2 2.2 2.7
        e min
        1.3 1.3 1.8 1.8 1.8 2.3
        b1 maks
        3.9 4.4 5.9 7.9 9.4 11.5
        b1 dəq
        3.1 3.6 5.1 7.1 8.6 10.5
        da maks
        5.3 6.4 8.4 10.5 13 15

        Metrik saplı qaynaq vidası qaynaqla iş parçasına sabitlənir. Bu tip vida həm baş, həm də başsız üslubda olur. Mövzuya görə, daha çox xarici saplı qaynaqlı vintlər və daxili saplı qaynaqlı vintlər kimi təsnif edilə bilər. Spesifikasiyalar ümumiyyətlə M5-dən M14-ə qədərdir.

        Weld screw with metric thread parameter

        -də istifadə oluna bilər

        Egzoz mötərizələrini təmir etmək üçün metrik ipləri olan qaynaq vintləri istifadə olunur. Əgərboltegzoz mötərizəsinin deşikləri köhnəlib, onları istifadə etməklə təmir etmək olar. Çərçivədəki ləkə qaynaq nöqtələrini təmizləyin, vintləri quraşdırın və yuyucuların üzərindəki deliklərdən nöqtə qaynaqını həyata keçirin. Mötərizəni boltlar ilə sıxın. Bu, cəmi 3 dəqiqə çəkir və yenidən qazmağa və ya vurmağa ehtiyac yoxdur. Boşaltmadan yol vibrasiyasına tab gətirə bilir.

        Metrik saplı qaynaq vinti konveyer mötərizələrini təkmilləşdirmək üçün istifadə olunur. Mövcud konveyerə sensorlar əlavə etmək lazımdırsa, mötərizələri tez quraşdırmaq üçün onlardan istifadə edin. M8 vintlərini lazımi çərçivə bələdçi relslərinə qaynaq edin. Əsas strukturlarda deliklər qazmağa ehtiyac yoxdur. Sensor mötərizəsi birbaşa boltlarla yeni ipə sabitlənmişdir. Təmir və quraşdırma zamanı yenidən naqillərin çəkilməsi üçün tələb olunan vaxta qənaət edir.

        Qaynaq vintləri hidravlik boruların quraşdırılması üçün istifadə olunur. Hidravlik şlanq sıxacını avadanlıqda düzəltmək lazımdırsa, onlardan istifadə edərək sarsıntının qarşısını ala bilərsiniz. M6 vintlərini hər 18 düymdən bir çərçivə boyunca qaynaqlayın. Armatur mötərizəsi birbaşa vintlər ilə vidaya sabitlənir. Onlar davamlı vibrasiyaya sac metal vintlərdən daha yaxşı dözə bilirlər. Hortumun sürtünmə səbəbindən aşınmasının qarşısını alın.

        Məhsul Xüsusiyyətləri

        Metrik saplı qaynaq vintinin xüsusiyyəti qaynaq fiksasiya metodunun istifadəsindədir. Adi mexaniki əlaqə ilə müqayisədə, qaynaq vintləri və əsas materialı demək olar ki, birləşdirərək daha sıx bir əlaqə yarada bilər. Metrik iplərin dizaynı qoz-fındıq və ya daxili ipləri olan komponentlərlə rahat şəkildə uyğunlaşdırıla bilər, gələcəkdə digər hissələrin quraşdırılmasını asanlaşdırır. Bundan əlavə, iplərin ölçü dəqiqliyi metrik standartlara uyğundur və onu çox yönlü edir.

        Qaynar Teqlər: Metrik dişli qaynaq vinti, Çin, İstehsalçı, Təchizatçı, Zavod
        Əlaqədar Kateqoriya
        Sorğu göndərin
        Sorğunuzu aşağıdakı formada verməkdən çekinmeyin. 24 saat ərzində sizə cavab verəcəyik.
        X
        Biz sizə daha yaxşı baxış təcrübəsi təklif etmək, sayt trafikini təhlil etmək və məzmunu fərdiləşdirmək üçün kukilərdən istifadə edirik. Bu saytdan istifadə etməklə siz kukilərdən istifadəmizlə razılaşırsınız. Məxfilik Siyasəti
        Rədd edin Qəbul edin