Çəngəllik

        Çəngəllik

        Xiaoguo ® Fork Birgə Almaniyanın sənaye standart standartı DIN 71752-1994-ə görə ciddi şəkildə istehsal olunur və mexaniki sistemlərdə yelləncək və fırlanma əlaqələri üçün istifadə olunur. Çəngəl birgə birgə bir açıq çəngəl formalı bir quruluşu qəbul edir və iki istiqamətli artikulyasiyaya çatmaq üçün pinlə əməkdaşlıq edir.
        Model:DIN 71752-1994

        Sorğu göndərin

        Məhsul təsviri


        Fork Birgə, kənd təsərrüfatı texnikası asma, mühəndislik avadanlıqları, elə də bucaq kompensasiyası və hərəkət ötürülməsini tələb edən ssenarilərdə geniş istifadə olunur.


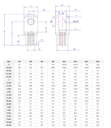
        Təfərrüatlar və parametrlər

        120 ° simmetrik çəngəl ± 15 ° sürüşməyə imkan verir. Çəngəl birgə koaksial quraşdırma səhvlərinə uyğunlaşır və sərt əlaqələrdə stres konsentrasiyasından qaçınır. Bu birləşmənin materialı, müxtəlif iş şəraitinin ehtiyaclarını ödəmək üçün 42cromo ərintisi poladdan (yüksək gücün) və ya 316 paslanmayan poladdan (korroziya müqavimətindən) seçilə bilər.

        Fork joint

        Çəngəl birləşmələri, hamar material ötürülməsi üçün kəmər seqmentlərini birləşdirən konveyer sistemlərində tənqidi. Onların çəngəl dizaynı titrəmələri və yanal qüvvələri, istismarını azaldır. Robot qollarında, çəngəl birləşmələri, toplaşmaq xətti əməliyyatları kimi dəqiq tapşırıqlar üçün çox oxlu hərəkətləri aktivləşdirir.

        Fork joint

        Bazar paylanması

        Bazar
        Gəlir (əvvəlki il)
        Ümumi gəlir (%)
        Şimali Amerika
        Məxfi
        23
        Cənubi Amerika
        Məxfi 5
        Şərqli Avropa
        Məxfi
        19
        Cənub-Şərqi Asiya
        Məxfi
        2
        Okia
        Məxfi
        3
        Şərqdə
        Məxfi
        2
        Şərqi Asiya
        Məxfi
        15
        Qərbi Avropa
        Məxfi
        15
        Mərkəzi Amerika
        Məxfi
        5
        Cənubi Asiya
        Məxfi
        6

        Yerli bazar

        Məxfi
        5


        Niyə bizi seç

        DIN 71752-1994 standartına uyğun olaraq çəngəl birləşməsində təcrübə ilə, sistem səviyyəli performansını təmin etmək üçün pin-çəngəl bir cütləşmə testləri (fırlanma anbarı əyriləri) təqdim edirik;

        Qeyri-standart çəngəl ağız dizaynlarını (məsələn, yağlama yivləri və sürüşmə əleyhinə kilidləmə quruluşları) 7 gün ərzində və rəsm əsasında dəstək emalını dəstəkləyirik.



        Qaynar Teqlər: Çəngəl, Çin, istehsalçı, təchizatçı, fabrik
        Əlaqədar Kateqoriya
        Sorğu göndərin
        Sorğunuzu aşağıdakı formada verməkdən çekinmeyin. 24 saat ərzində sizə cavab verəcəyik.
        X
        Biz sizə daha yaxşı baxış təcrübəsi təklif etmək, sayt trafikini təhlil etmək və məzmunu fərdiləşdirmək üçün kukilərdən istifadə edirik. Bu saytdan istifadə etməklə siz kukilərdən istifadəmizlə razılaşırsınız. Məxfilik Siyasəti
        Rədd edin Qəbul edin