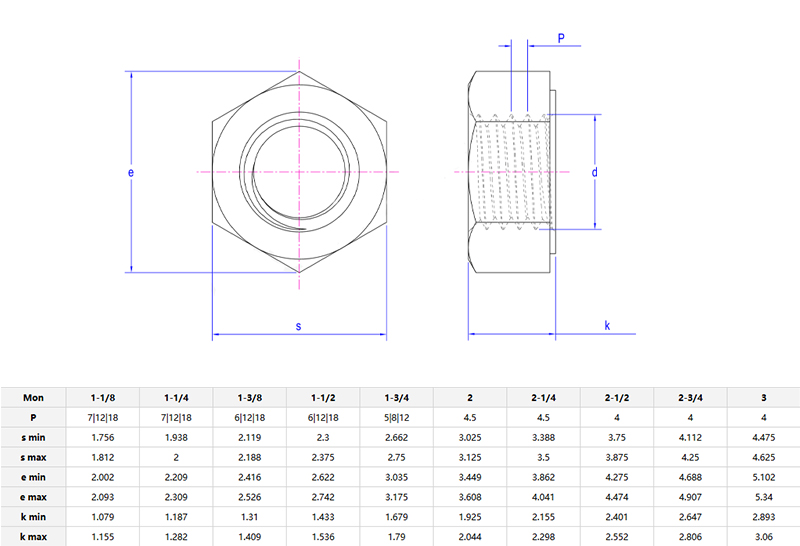
Ağır hex düz qozGüclü və aşağı profilli bərkidicilər tələb edən maşın, tikinti və ya hər hansı bir sahədə tətbiq olunur. Adi altıbucaqlı qoz-fındıqdan fərqli olaraq, onlar daha qalınlaşır və səthlərə düz yapışa bilər, onları məhdud yerlər üçün çox uyğunlaşdırır.

Həttaağır hex düz qozköhnələcək. Çatlar, pas və ya yuvarlaq kənarları üçün qozu yoxlayın. Hər hansı bir zərər, bunun yenisi ilə əvəz edilməsi lazım olduğunu bildirir. Qoz təmiz bir boltda sərbəst dönə bilərsə, ipin köhnəldiyini göstərir. Yüksək temperatur və stres, zamanla qozun gücünü azaldacaqdır. Fərqli siniflərin qoz-fındıqlarını qarışdırmayın: bir sinif qozu 8 dərəcəli bir boltda yerləşdirilibsə, nəticələr ağlasığmaz olacaqdır.
Ağır hex düz qoz-fındıqBöyük ölçülü qoz-fındıq quraşdırıla bilmədiyi vəziyyətlərdə mühüm rol oynayın. Məsələn, məhdud məkan ilə konveyer, avtomobil çərçivələri və ya sənaye avadanlığı. Onların düz səthləri çıxıntıları azaldır və bununla da zədələnmə riskini azaldır. Boru sistemlərində də çox yaygındırlar. Heç kim qoz-fındıq və mürəbbə zibilləri üçün qoz-fındıq istəmir. Peşəkar göstəriş: istifadə edinağır hex düz qozDüz yuyucu ilə birlikdə yükü bərabər paylamaq. Əgər işiniz həm güclü, həm də yığcam olan fındıq tələb edirsə, bu tip qoz sizin üçün idealdır.
Bazar
Gəlir (əvvəlki il)
Ümumi gəlir (%)
Şimali Amerika
Məxfi
15
Cənubi Amerika
Gizli10
25
Şərqli Avropa
Məxfi
13
Cənub-Şərqi Asiya
Məxfi
5
Şərqdə
Məxfi
7
Şərqi Asiya
Məxfi
13
Qərbi Avropa
Məxfi
12
Mərkəzi Amerika
Məxfi
5
Cənubi Asiya
Məxfi
10
Yerli bazar
Məxfi
5
Quraşdırarkənağır hex düz qoz, spesifikasiyalara cavab verənə qədər bərkidilmək üçün tork açarından istifadə edin. Həddindən artıq bərkitmə ipin aşınmasına səbəb ola bilər, kifayət qədər sıxılma isə ip boşluğuna səbəb ola bilər. Fındıqların səthi düzdür, yəni flush olacaq deməkdir. Buna görə, hizalandıqlarını yoxlayın. Səthi hamar deyilsə, cızılmaların qarşısını almaq üçün bir conta əlavə edin. Bundan əlavə, köhnə qoz-fındıqları əsas birləşmələrdə təkrar istifadə etməyin. Zərər verməmək üçün onları yeniləri ilə əvəz edin.