Altıbucaqlı qoz-fındıq və yuyucu qurğususqeyri-bərabər və ya bucaqlı səthlər üçün uyğundur.Altıbucaqlı qoz-fındıqboltlar üçün standart yivləri təmin edin, konuslu yuyucular isə təhlükəsizlik üçün müvafiq yamac və ya boşluğa uyğunlaşdırılır.

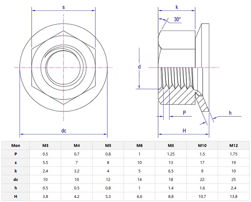
Thealtıbucaqlı qoz-fındıq və konik yuyucu qurğularstandart iplə təchiz olunmuşdur, konik yuyucu isə 10-15 dərəcəyə qədər tənzimləməyə imkan verən bucaqlı səthə malikdir. Yuyucunun geniş bazası yükü bərabər paylayır və montaj metrik və ya imperial boltlar ilə işləyir. O, düz yuyucudan daha böyükdür, lakin hizalanma problemlərini həll edir.
istifadə edinaltıbucaqlı qoz-fındıq və konik yuyucu qurğuestəmin etməkboltlarmaili və ya nizamsız səthlərdə. O, maili polad tirlərə mötərizələr quraşdıra, avadanlığı qeyri-bərabər betona quraşdıra və ya qayalı döşəmələrdə maşın ayaqlarını qoruya bilər. O, həmçinin zamanla çökmə və ya əyilmə səthləri olan köhnə strukturların yenidən qurulmasını asanlaşdırır.
Hkeçmiş qoz-fındıq və yuyucu qurğulartikintidə (polad tirlər, iskele), rels sistemlərində (yol bərkitmə) və kənd təsərrüfatı maşınlarında (qeyri-bərabər ərazidə əlavələr) geniş yayılmışdır. Onlar həmçinin kommunal dirəklərdə, günəş paneli montajlarında və göyərtə tikintisi kimi DIY layihələrində istifadə olunur. Boltların bucaqlı və ya kobud səthlərlə qarşılaşdığı hər yerdə, bu kombi əşyaları möhkəm saxlayır.

| Bazar |
Ümumi Gəlir (%) |
| Şimali Amerika |
10 |
| Şərqi Avropa |
23 |
| Cənub-Şərqi Asiya |
3 |
| Orta Şərq |
5 |
| Şərqi Asiya |
18 |
| Qərbi Avropa |
15 |
| Mərkəzi Amerika |
6 |
| Cənubi Asiya |
5 |
| Daxili bazar |
15 |
Altıbucaqlı qoz-fındıq və yuyucu qurğularaşağı təmir xərclərinə malikdir və yalnız istifadə etdiyiniz zaman məhsulun paslı olub olmadığını və ya yuyucunun deformasiyaya uğradığını yoxlamaq lazımdır. Tutmağı saxlamaq üçün əyilmiş conta dəyişdirilməlidir. Onlar həddindən artıq açılar (15 dərəcədən çox) və ya ağır fırlanan yüklər üçün uyğun deyil. Onlar balanssız işlərin çoxu üçün qənaətcil bir həlldir.