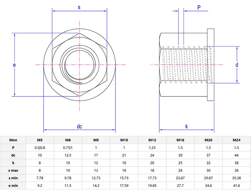
Yaxası olan altıbucaqlı qozStandart altıbucaqlı qoz-fındıqdır. Altıbucaqlı başının altındakı geniş bir silindrik yaxası var. Yaxa əlavə iplik nişanını əlavə edir və bolt iplərini zərərdən qoruyur. Yaxa quraşdırılmış bir yuyucu kimi hərəkət edir.

Yaxası olan altıbucaqlı qozYaxınların daha etibarlı bir tutuş üçün 2-3 əlavə iplik verərək, yaxasının hex başının altından uzandığı praktik bərkidicilərdir. Standart altıbucaqlı forma bütün adi açarlarla istifadə edilə bilər və yaxasının hamar kənarı işçilərin quraşdırılmasını asanlaşdırır. Əsas qozdan bir qədər ağır olsa da, quraşdırılmış yaxası güc əlavə edir və ayrı bir yuyucu və ya contanın ehtiyacını aradan qaldırır. Əlavə mövzu nişanına ehtiyacınız olduqda və ya mexaniki, inşaatda məruz qalan kəskin kənarları minimuma endirmək istədikdə, bizim seçməyi məsləhət görürükyaxası olan altıbucaqlı qoz.

Niyə seçirləryaxası olan altıbucaqlı qoz?
Yaxa, ağır yüklərin altındakı ip itkisi riskini azaltmaqla daha uzun, daha uzun tutur. Ayrıca, playground, mebel və ya avadanlıq üzərində istifadə etməyə daha təhlükəsiz olan kəskin bolt uclarını əhatə edə bilər. Yalnız qoz quraşdırmaq lazımdır, yaxası ikiqat rol oynaya bilər. Bolt uzunluğu dəyişdikləri və ya mövzuların qorunmasını tələb etdiyi mühit üçün idealdır.
Yaxası olan altıbucaqlı qozAvtomobil (asma sistemləri, mühərrik qurğularında), tikinti və kənd təsərrüfatında istifadə olunur. Boltların tez-tez tənzimləndiyi mebel məclisində, fitness avadanlıqlarında və DIY layihələrində də istifadə olunur.
Yaxası olan altıbucaqlı qozəlavə mövzu təhlükəsizliyi təmin edir. Heç bir əlavə şim və ya örtük tələb olunmur, bu, səmərəliliyi prioritetləşdirən DIY həvəskarları və ya sənayelər üçün mükəmməldir. Biraz daha bahadır, amma vaxta qənaət edir və istifadə olunan hissələrin sayını azaldır.