Ev > Məhsullar > Bolt > Dairəvi Baş Bolt > Güclü Üz Proyeksiyası Qaynaq Boltu
        Güclü Üz Proyeksiyası Qaynaq Boltu
        • Güclü Üz Proyeksiyası Qaynaq BoltuGüclü Üz Proyeksiyası Qaynaq Boltu
        • Güclü Üz Proyeksiyası Qaynaq BoltuGüclü Üz Proyeksiyası Qaynaq Boltu
        • Güclü Üz Proyeksiyası Qaynaq BoltuGüclü Üz Proyeksiyası Qaynaq Boltu
        • Güclü Üz Proyeksiyası Qaynaq BoltuGüclü Üz Proyeksiyası Qaynaq Boltu
        • Güclü Üz Proyeksiyası Qaynaq BoltuGüclü Üz Proyeksiyası Qaynaq Boltu

        Güclü Üz Proyeksiyası Qaynaq Boltu

        Ciddi keyfiyyətə nəzarət prosesləri Xiaoguo®-nun istehsal müəssisələrində əsas öhdəlikdir. Güclü üz proyeksiyalı qaynaq boltunun unikal dizaynı qaynaq cərəyanını və istiliyi qaynaq dövrü ərzində dəqiq olaraq bu proqnozlar üzərində cəmləşdirir.
        Model:Q 199B-1999

        Sorğu göndərin

        Məhsul təsviri

        Güclü üz proyeksiyası qaynaq boltlarının ən yaxşı şəkildə işlədiyinə əmin olmaq üçün onları düzgün idarə etməlisiniz. Bu əşyaları gündəlik və ya uzun müddət saxlayarkən, mühüm funksiyaları olan səthdə çıxan hissələrin və dəqiq yivli konstruksiyaların zədələnməsinin effektiv qarşısını almaq üçün saxlama üsulunun rasionallığına xüsusi diqqət yetirilməlidir.

        Qaynaqdan əvvəl, bolt və iş parçası arasındakı təmas sahəsi yağ, pas və qalın örtük olmadan təmizlənməlidir. Bu, cərəyanın rəvan axmasına və qaynağın güclü olmasına imkan verəcəkdir.

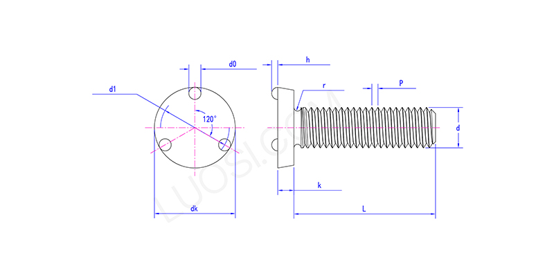
        Bazar ertəsi M4 M5 M6 M8 M10 M12
        P 0.7 0.8 1 1.25 1.5 1.75
        dk maks 11.5 12.5 14.5 19 21 24
        dk min 11.23 12.23 14.23 18.67 20.67 23.67
        k maks 2 2.5 2.5 3.5 4 5
        k dəq 1.75 2.25 2.25 3.25 3.75 4.75
        r min 0.2 .2 0.3 0.3 0.4 0.4
        d1 maks 8.75 9.75 10.75 14.25 16.25 18.75
        d1 dəq 8.5 9.5 10.5 14 16 18.5
        h maks 1.25 1.25 1.25 1.45 1.45 1.65
        h min 0.9 0.9 0.9 1.1 1.1 1.3
        d0 maks 2.6 2.6 2.6 3.1 3.1 3.6
        d0 dəq 2.4 2.4 2.4 2.9 2.9 3.4

        Məhsul təfərrüatları

        Güclü üz proyeksiyalı qaynaq boltu quraşdırıldıqdan sonra siz boltun özünə müntəzəm "baxım" etmək məcburiyyətində deyilsiniz, lakin qaynağın yaxşı olmasına əmin olmaq çox vacibdir.

        Biz dağıdıcı olmayan testlərdən istifadə edərək qaynaq gücünü və onun nə qədər yaxşı dayandığını yoxlayırıq, məsələn, dirəyi müəyyən bir qüvvə ilə bükmək (fırlanma anı testi) və ya ultrasəs alətlərindən istifadə etməklə. Əhəmiyyətli olan hissələr üçün boltun qoşma nöqtələrini istifadə edərkən tez-tez yoxlamaq yaxşı fikirdir.

        Buna görə də, əlaqənin etibarlılığını və avadanlıqların uzunmüddətli təhlükəsiz işləməsini təmin etmək üçün ciddi müntəzəm yoxlama prosesi qurmuşuq və fırlanma momenti məlumatlarını standartlara uyğun qeyd edirik.

        Xüsusi xidmətlər

        Bəli, xüsusi ehtiyaclarınız üçün hazırlanmış möhkəm üz proyeksiyalı qaynaq boltları əldə edə bilərsiniz. Ümumi dəyişikliklərə ip ölçüsü və uzunluğu (metrik və ya imperial), baş tərzi və diametri, sapın uzunluğu və diametri, çıxıntıların nümunəsi və hündürlüyü, materialın və ya səthin bitirilməsi daxildir.

        İstehsalçılar nə qədər çəki tutmalı olduqları, nə qədər yer tutduqları, paslanmaya qarşı nə qədər dayanıqlı olduqları və ya hansı qaynaq prosesindən istifadə etdiyiniz üçün dəqiq ehtiyaclara uyğun boltlar düzəldə bilərlər.

        Robust Face Projection Welding Bolt


        Qaynar Teqlər: Sağlam Üz Proyeksiyası Qaynaq Boltu, Çin, İstehsalçı, Təchizatçı, Fabrik
        Əlaqədar Kateqoriya
        Sorğu göndərin
        Sorğunuzu aşağıdakı formada verməkdən çekinmeyin. 24 saat ərzində sizə cavab verəcəyik.
        X
        Biz sizə daha yaxşı baxış təcrübəsi təklif etmək, sayt trafikini təhlil etmək və məzmunu fərdiləşdirmək üçün kukilərdən istifadə edirik. Bu saytdan istifadə etməklə siz kukilərdən istifadəmizlə razılaşırsınız. Məxfilik Siyasəti
        Rədd edin Qəbul edin