Ev > Məhsullar > Qoz > Altıbucaqlı qoz > Sistem HR Böyük altıbucaqlı qoz-fındıq
        Sistem HR Böyük altıbucaqlı qoz-fındıq
        • Sistem HR Böyük altıbucaqlı qoz-fındıqSistem HR Böyük altıbucaqlı qoz-fındıq
        • Sistem HR Böyük altıbucaqlı qoz-fındıqSistem HR Böyük altıbucaqlı qoz-fındıq
        • Sistem HR Böyük altıbucaqlı qoz-fındıqSistem HR Böyük altıbucaqlı qoz-fındıq

        Sistem HR Böyük altıbucaqlı qoz-fındıq

        Sistem HR böyük altıbucaqlı qoz-fındıqlar, HR tipli böyük altıbucaqlı başlı boltlar ilə birlikdə istifadə edilən, əvvəlcədən yüklənmiş yüksək möhkəmlikli boltalı struktur birləşmə cütünün bir hissəsidir və tez-tez tikinti sənayesində polad konstruksiyalarda istifadə olunur. Xiaoguo® peşəkar istehsalçılarının məhsulları sınaqdan keçirilib və keyfiyyət standartlarına cavab verir və sərfəli qiymətə malikdir.
        Model:EN 14399-7-2007

        Sorğu göndərin

        Məhsul təsviri

        Sistem HR böyük altıbucaqlı qoz-fındıqböyük ölçülü boltlar ilə birlikdə istifadə olunur və adətən daha çox güc və sabitlik tələb edən işlərdə istifadə olunur. Onlar tez-tez tikinti sənayesində, məsələn, polad konstruksiya binalarında, şüaları və sütunları birlikdə düzəltmək üçün istifadə olunur.

        Məhsulun təfərrüatları və parametrləri

        System HR large hexagon nuts

        HR sistemi böyük altıbucaqlı qoz-fındıqları quraşdırarkən bəzi detalları qeyd etmək lazımdır. Hər şeydən əvvəl, qozun ip ölçüsünün boltla tam uyğun olduğundan əmin olun. İstənilən uyğunsuzluq etibarsız əlaqəyə səbəb ola bilər. Müvafiq qozu tapdıqdan sonra qozunu bolt üzərinə qoyun. Sonra açarı götürün. Qozunu sıxmaq üçün açarı saat yönünə çevirin. Bu qoz-fındıq yüksək güclü tətbiqlər üçün uyğun olduğundan, onları bərkitmək üçün xeyli güc tətbiq etmək lazımdır.

        Tikinti sənayesində, böyük altıbucaqlı qoz-fındıqlar polad konstruksiya binalarının tikintisi üçün istifadə olunur. İşçilər bu qoz-fındıqları bina üçün möhkəm çərçivə qurmaq üçün tirləri və sütunları bir-birinə bərkitmək üçün istifadə edirdilər. Körpü tikintisində onlar körpü konstruksiyasını birləşdirmək, onun nəqliyyat vasitələrinin və təbii qüvvələrin ağırlığını daşıya bilməsini təmin etmək üçün çox vacibdir. Onlar həmçinin böyük anbarların və sənaye obyektlərinin tikintisi üçün istifadə olunur.

        Sistem HR böyük altıbucaqlı qoz-fındıqmədən avadanlıqlarında, külək turbinlərində və ya ağır tikinti avadanlıqlarında istifadə olunur. Onlar tez-tez polad dəyirmanları və ya gəmiqayırma zavodları kimi yüksək gərginlikli mühitlərdə istifadə olunur və onların böyük altıbucaqlı forması sənaye açarları üçün uyğundur. Fermerlər onlardan traktorlarda istifadə edirlər. Zavodlar ötürmə sistemlərini quraşdırmaq üçün onlara etibar edirlər.

        System HR large hexagon nuts

        Ölçü Mülahizələri

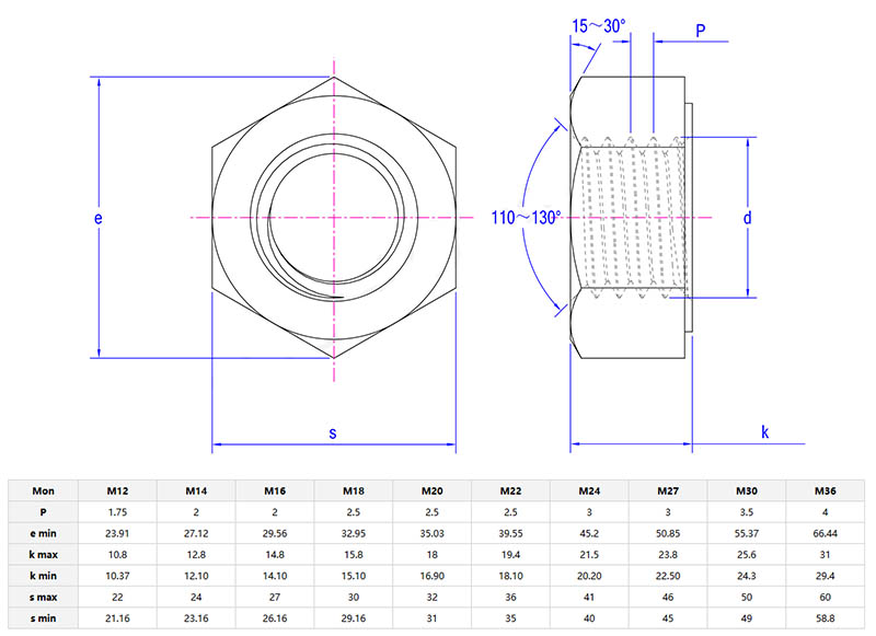
        Sistem HR böyük altıbucaqlı qozsmüxtəlif ölçülərdə mövcuddur. Daha kiçik ölçülər (məsələn, M12 ətrafında) hələ də möhkəm bir əlaqə tələb edən kiçik strukturlar üçün istifadə edilə bilər. Məsələn, avadanlıq və ya müəyyən yüngül sənaye qurğuları üçün kiçik metal çərçivələrin tikintisi. Daha böyük ölçülər (bəzi hallarda M36-a qədər və ya daha böyük) irimiqyaslı tikinti layihələri üçün uyğundur. Böyük sənaye müəssisələrinin və ya çox mərtəbəli binaların tikintisi zamanı bu böyük ölçülü qoz-fındıqlar əsas struktur komponentləri düzəltmək üçün istifadə olunur. Bir qoz seçməzdən əvvəl boltun ölçüsünü dəqiq ölçmək çox vacibdir.

        Qaynar Teqlər: System HR Large Hexagon Nuts, Çin, İstehsalçı, Təchizatçı, Zavod
        Əlaqədar Kateqoriya
        Sorğu göndərin
        Sorğunuzu aşağıdakı formada verməkdən çekinmeyin. 24 saat ərzində sizə cavab verəcəyik.
        X
        Biz sizə daha yaxşı baxış təcrübəsi təklif etmək, sayt trafikini təhlil etmək və məzmunu fərdiləşdirmək üçün kukilərdən istifadə edirik. Bu saytdan istifadə etməklə siz kukilərdən istifadəmizlə razılaşırsınız. Məxfilik Siyasəti
        Rədd edin Qəbul edin