Ev > Məhsullar > Qoz > Altıbucaqlı qoz > Tip 2 Tək paxlı altıbucaqlı qoz
        Tip 2 Tək paxlı altıbucaqlı qoz
        • Tip 2 Tək paxlı altıbucaqlı qozTip 2 Tək paxlı altıbucaqlı qoz
        • Tip 2 Tək paxlı altıbucaqlı qozTip 2 Tək paxlı altıbucaqlı qoz
        • Tip 2 Tək paxlı altıbucaqlı qozTip 2 Tək paxlı altıbucaqlı qoz

        Tip 2 Tək paxlı altıbucaqlı qoz

        Tip 2 tək paxlı altıbucaqlı qoz-fındıq standart qoz-fındıqların istifadə oluna bilməyəcəyi mühitlərdə istifadə edilə bilər. 2-ci tip qoz-fındıqların hündürlüyü Tip 1-dən təxminən 10% yüksəkdir. Xiaoguo®-dan satın aldığınız zaman biz sizə bərkitmə ehtiyaclarınıza cavab verən yüksək keyfiyyətli məhsullar təqdim etməyə zəmanət veririk.
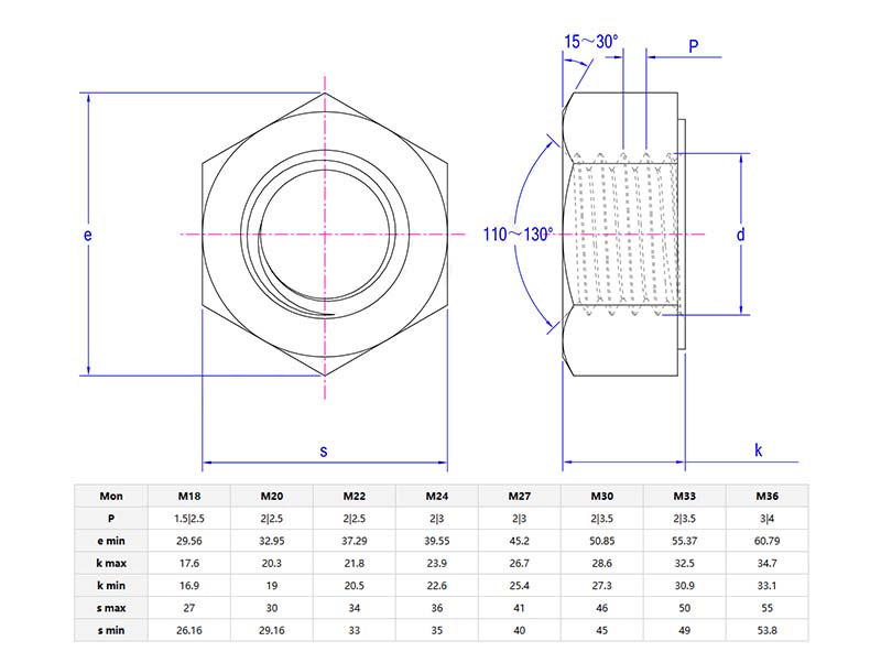
        Model:JIS B1181-6-1993

        Sorğu göndərin

        Məhsul təsviri

        Tip 2 tək paxlı altıbucaqlı qozTip 1-dən daha qalın və güclüdür və yükləmə qabiliyyəti Tip 1-dən yüksəkdir, bu da onları ağır yüklər və ya yüksək tələb olunan ssenarilər üçün uyğun edir. Tip 1 yüngül iş üçün, Tip 2 isə ağır maşın və ya struktur yüklər üçün uyğundur. Bununla belə, Tip 2 daha bahalı və daha ağırdır.

        Tip 2 tək paxlı altıbucaqlı qoz, istilik müalicəsi tələb etməyən nisbətən əlverişli altıbucaqlı qozdur. Tip 2 qoz-fındıqlar əsasən aerokosmik, avtomobil, tikinti, maşınqayırma və nisbətən güclü birləşdiricilər tələb edən digər tətbiqlər kimi montaj və sökülmənin tez-tez tələb olunduğu tətbiqlərdə istifadə olunur.

        Məhsulun təfərrüatları və parametrləri

        Type 2 single chamfered hexagon nut


        Tip 2 tək paxlı altıbucaqlı qoz yük maşınının çərçivələrinə, konveyer sistemlərinə və ya kənd təsərrüfatı avadanlıqlarına quraşdırılır. Onlar daha böyük fırlanma momentinə tab gətirə bilər, qozun soyulmasına mane olur və pah boltu tez hizalamağa kömək edir. Onlar rəflər və ya əsas mebel üçün çox çətin olur.

        seçərkəntip 2 tək paxlı altıbucaqlı qoz, ilk növbədə bolt ölçüsü nəzərə alınmalıdır. İpin diametrini (məsələn, M12, ¾ ") və hündürlüyünü (qaba sap və ya incə sap) uyğunlaşdırın. Pax kəsmə ipin bir tərəfinə kiçik bir Bucaq əlavə edəcək. Dartarkən ipləri səhv əyməkdən çəkinin. Metrik və imperial ipləri qarışdırmayın, çünki bu iplərə zərər verəcək.

        2-ci tip tək paxlı altıbucaqlı qayka boltları daha tez istiqamətləndirə bilər və bununla da kütləvi istehsalda avadanlığın dayanma müddətini azaldır. İsti daldırma sinklənmiş qoz-fındıqlar açıq havada istifadə üçün uyğundur, lakin örtüyü aşındıra biləcəyi korroziyalı mühitlərdə onlardan qaçınmaq lazımdır. Atılmış avadanlıqda qoz-fındıqları təkrar istifadə etməyin.


        Type 2 single chamfered hexagon nut

        Quraşdırma göstərişləri

        Quraşdırarkəntip 2 tək paxlı altıbucaqlı qoz, yivli əlaqəni daha hamar etmək üçün pah boltla üzləşir. Onu sıxmaq üçün fırlanma anı açarından istifadə edin. Ehtiyatlı olun ki, həddindən artıq sıxma boltu zədələyə bilər. Yüksək dərəcəli boltlar (eyni güc dərəcəsi ilə) və bərkimiş yuyucuların birləşməsindən istifadə etmək tövsiyə olunur.

        Qaynar Teqlər: Tip 2 Tək paxlı altıbucaqlı qoz, Çin, İstehsalçı, Təchizatçı, Zavod
        Əlaqədar Kateqoriya
        Sorğu göndərin
        Sorğunuzu aşağıdakı formada verməkdən çekinmeyin. 24 saat ərzində sizə cavab verəcəyik.
        X
        Biz sizə daha yaxşı baxış təcrübəsi təklif etmək, sayt trafikini təhlil etmək və məzmunu fərdiləşdirmək üçün kukilərdən istifadə edirik. Bu saytdan istifadə etməklə siz kukilərdən istifadəmizlə razılaşırsınız. Məxfilik Siyasəti
        Rədd edin Qəbul edin