PCB lövhəsi üçün bu BMT-nin pərçimlənmiş sapı adətən aşağı karbonlu və ya paslanmayan polad və ya alüminium kimi yaxşı polad ərintilərindən hazırlanır. Onlar möhkəm mexaniki gücə malikdirlər və zamanla yaxşı dayanırlar.
Polad olanlar ən çox dartılma və kəsilmə gücünü təklif edir. Alüminium olanlar isə elektrik cərəyanını gözəl keçirir və yüngüldür.
Bu dirəklər üçün seçilmiş metal o deməkdir ki, onlar ağır mexaniki yükləri, istilik və soyutma dövrlərindən yaranan gərginliyi idarə edə bilir və məhsulun istifadə olunduğu müddətdə möhkəm qala bilir.
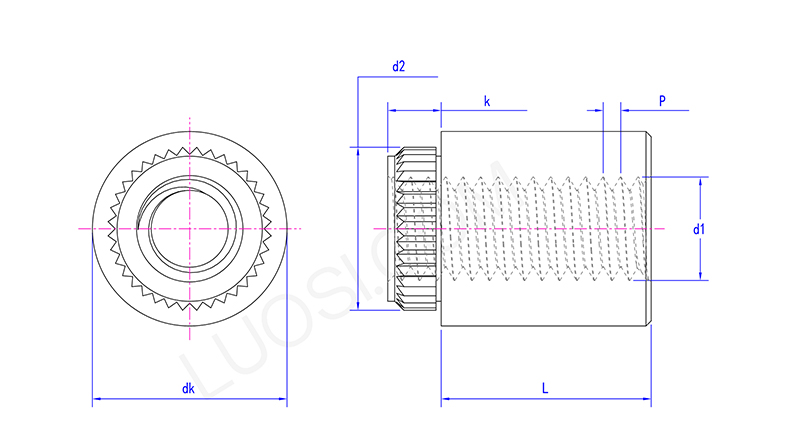
PCB lövhəsi üçün BMT-nin pərçimli sapı, çap dövrə lövhələrində (PCB) etibarlı xarici yivli fiksasiya nöqtəsini təmin etmək üçün istifadə edilən daimi və yüksək möhkəmlikli bərkidicidir. Burada "BMT" adətən onun müxtəlif standart qoz-fındıqlarla uyğunluğunu təmin edən standartlaşdırılmış vida dişinə (UNC və ya UNF kimi) istinad edərək, "Vahid Milli Standartı" təmsil edir.
Quraşdırma prosesi sürətli və səmərəlidir. Çubuğu PCB lövhəsində əvvəlcədən qazılmış deliyə daxil edin. Sonra xüsusi perçin alətindən istifadə edərək, saplamanın yastı ucunu deformasiya edin ki, bu da onun xaricə doğru genişlənməsinə və pərçim başlığı ilə çiyninin və ya şnurun flanşı arasında möhkəm tutmasına səbəb olsun, beləliklə qaynağa ehtiyac olmadan güclü və vibrasiyaya davamlı bir əlaqə yaradın.
Bu üsul xüsusilə böyük mexaniki gərginliyə tab gətirməyi tələb edən, çoxsaylı qoşulma əməliyyatlarından keçməli olan və ya qaynaq nəticəsində yaranan istiliyin həssas komponentlərə zərər verə biləcəyi ssenarilər üçün xüsusilə uyğundur.
PCB lövhəsi üçün bu BMT-nin pərçimlənmiş sapı soyuq formalaşdırma və ya perçinləmə üsulu ilə qoyulur.
Siz PCB-də əvvəlcədən qazılmış deşikdən sapı yapışdırırsınız. Sonra xüsusi pərçimləmə aləti dirəyin qolunu lövhənin altındakı matrislə bükür və onu yerində saxlayan daimi, alovlu qıfıl yaradır.
Soyuq emal üsulu daha az istilik yaradır və PCB laminatına və ya dövrəsinə zərər verməyəcək. Düzgün quraşdırıldıqda, dirəklər dövrə lövhəsinin strukturuna xələl gətirmədən güclü və vibrasiyaya davamlı fiksasiya təmin edir.

| Bazar | Gəlir (Əvvəlki İl) | Ümumi Gəlir (%) |
| Şimali Amerika | Məxfi | 20 |
| Cənubi Amerika | Məxfi | 4 |
| Şərqi Avropa | Məxfi | 24 |
| Cənub-Şərqi Asiya | Məxfi | 2 |
| Afrika | Məxfi | 2 |
| Okeaniya | Məxfi | 1 |
| Orta Şərq | Məxfi | 4 |
| Şərqi Asiya | Məxfi | 13 |
| Qərbi Avropa | Məxfi | 18 |
| Mərkəzi Amerika | Məxfi | 6 |
| Şimali Avropa | Məxfi | 2 |
| Cənubi Avropa | Məxfi | 1 |
| Cənubi Asiya | Məxfi | 4 |
| Daxili bazar | Məxfi | 5 |