Ev > Məhsullar > Qoz > Altıbucaqlı flanşlı qoz > Altıbucaqlı qozları flanşlarla qaynaq edin
        Altıbucaqlı qozları flanşlarla qaynaq edin
        • Altıbucaqlı qozları flanşlarla qaynaq edinAltıbucaqlı qozları flanşlarla qaynaq edin
        • Altıbucaqlı qozları flanşlarla qaynaq edinAltıbucaqlı qozları flanşlarla qaynaq edin
        • Altıbucaqlı qozları flanşlarla qaynaq edinAltıbucaqlı qozları flanşlarla qaynaq edin
        • Altıbucaqlı qozları flanşlarla qaynaq edinAltıbucaqlı qozları flanşlarla qaynaq edin
        • Altıbucaqlı qozları flanşlarla qaynaq edinAltıbucaqlı qozları flanşlarla qaynaq edin

        Altıbucaqlı qozları flanşlarla qaynaq edin

        Xiaoguo® əsas bərkidici məhsulları ixrac edən istehsalçıya diqqət yetirir. Flanşlı qaynaq altıbucaqlı qoz-fınzlar daimi qaynaq əlavəsi üçün nəzərdə tutulmuş altıbucaqlı gövdə və inteqrasiya olunmuş dairəvi flanşa malik ixtisaslaşdırılmış yivli bərkidicilərdir.
        Model:Q 364-2012

        Sorğu göndərin

        Məhsul təsviri

        Flanşlı altıbucaqlı qoz-fındıqların qaynaqları xüsusi bağlayıcılardır. Onların açarı istifadə edə biləcəyiniz müntəzəm altıbucaqlı başlığı və qozun bir hissəsi olan geniş, dairəvi əsası (flanş) var. Bu flanş o deməkdir ki, ayrıca yuyucuya ehtiyacınız yoxdur. Bu qoz-fındıqlar əsasən daimi bərkidilmək üçün hazırlanır. Onların qaynaq üçün bir az qaldırılmış hissəsi və ya strukturlara, borulara və ya avadanlıq səthlərinə etibarlı şəkildə qaynaq etməyə imkan verən xüsusi bir əsas forması var. Beləliklə, güclü, sabit yivli bir nöqtə əldə edirsiniz.

        “Weld

        Üstünlük:

        Flanşlı altıbucaqlı qoz-fındıqların əsas yaxşı cəhəti onların hamısının bir parça olmasıdır. Flanşlar sıxma gücünü daha böyük bir sahəyə yayır və sızdırmazlığın effektivliyi qüvvənin vahidliyi ilə birbaşa mütənasib olduğundan, onların bağlandığı səthdə daha az gərginlik olur. Bu, həm də onların vibrasiyaya görə boşalma ehtimalını azaldır. Bu daxili sabitlik, daimi qaynaqlanmaqla yanaşı, bu qoz-fındıqları həqiqətən etibarlı edir. Onlar bərkidicinin təhlükəsiz saxlanmasının çox vacib olduğu yüksək gərginlik və ya vacib istifadələrdə yaxşı işləyirlər.

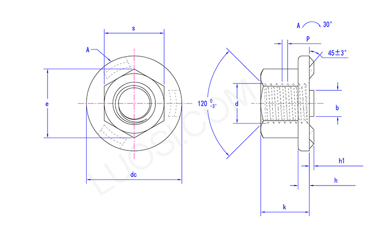
        Bazar ertəsi M5 M6 M8 M10 M12 M14 M16
        P 0.8 1 1.25 1.5 1.75 2 2
        h1 maks 0.9 0.9 1.1 1.3 1.3 1.3 1.3
        h1 dəq 0.7 0.7 0.9 1.1 1.1 1.1 11
        dc maks 15.5 18.5 22.5 26.5 30.5 33.5 36.5
        dc min 14.5 17.5 21.5 25.5 29.5 32.5 35.5
        e min 8.2 10.6 13.6 16.9 19.4 22.4 25
        h maks 1.95 2.25 2.75 3.25 3.25 4.25 4.25
        h min 1.45 1.75 2.25 2.75 2.75 3.75 3.75
        b maks 4.1 5.1 6.1 7.1 8.1 8.1 8.1
        b dəq 3.9 4.9 5.9 6.9 7.9 7.9 7.9
        k maks 4.7 6.64 9.64 12.57 14.57 16.16 18.66
        k dəq 5 7 10 13 15 17 19.5
        s maks 8 10 13 16 18 21 24
        s min 7.64 9.64 12.57 15.57 17.57 20.16 23.16

        Qaynaq üsulu:

        Flanşlı altıbucaqlı qoz-fındıqların bərkidicilərə və ya hissələrə bərkidilməsi üçün əsasən proyeksiya qaynağı (bu, müqavimət qaynağının bir növüdür) ilə istifadə edilməsi üçün hazırlanmışdır. Onlar bəzi hallarda qövs qaynağı (MIG və ya TIG kimi) üçün də işləyə bilərlər. Ancaq düzgün üsuldan istifadə etməlisiniz - əks halda flanşa və ya iplərə zərər verə bilərsiniz və bu, qozun bütövlüyünü pozar.


        Qaynar Teqlər: Flanşlı altıbucaqlı qoz-fındıqları qaynaq, Çin, İstehsalçı, Təchizatçı, Zavod
        Əlaqədar Kateqoriya
        Sorğu göndərin
        Sorğunuzu aşağıdakı formada verməkdən çekinmeyin. 24 saat ərzində sizə cavab verəcəyik.
        X
        Biz sizə daha yaxşı baxış təcrübəsi təklif etmək, sayt trafikini təhlil etmək və məzmunu fərdiləşdirmək üçün kukilərdən istifadə edirik. Bu saytdan istifadə etməklə siz kukilərdən istifadəmizlə razılaşırsınız. Məxfilik Siyasəti
        Rədd edin Qəbul edin