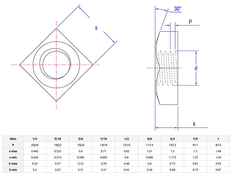
Buqaba bitmiş kvadrat nutBöyük ipləri (qaba meydançası) və kvadrat şəkli olan əsas, heç bir frills bərkidicidir. Kobud səthinin bitməsi, tez-tez sink örtüklü və ya qara oksidi örtülmüş, pas və sərt işlərə rast gəlinir.

Sərt mühitlərdə boltlardan istifadə etməlisinizsə, onda seçim edə bilərsinizqaba bitmiş kvadrat qoz. Onun xam səthi də çirkli və ya yağlı mühitlərdə daha yaxşı tutur, sıxılır zamanı sürüşməni azaldır. Square qozu bir açar və ya kəlbətinlə birlikdə kilidlənə bilər. Maşın, kənd təsərrüfatı texnikası və ya tikinti üçün uyğundur. Heç bir xülya örtük, yalnız əsas polad, yüksək gücü idarə etmək asandır.
Köhnə yük maşınları və ya traktorları düzəltmək mexanika tez-tez istifadə edirqaba bitmiş kvadrat qozpaslı və ya köhnəlmiş boltlar üçün. Kobud səth, zədələnmiş mövzuları cilalanmış qoz-fındıqdan daha yaxşı uyğunlaşdırır və kvadrat forma ağır fırlanma anında yuvarlaqlaşdırılmayacaq. Egzoz sistemləri, şassi təmir və ya yağ və gəmə üçün açıq bir şey üçün əladır. Sadəcə onu aşağı salın və işləməyə davam edin.
Fermerlər şum və ya suvarma avadanlığı təmir etdikdə, tez-tez istifadə edirlərqaba bitmiş kvadrat qozÇünki işlətmək asandır. Kobud səth tıxanmağın qarşısını almaq üçün kir və kirdən səmərəli müalicə edə bilər. Kvadrat qoz-fındıq sıx boşluqlarda sabitlənə bilər. Əlcəklərlə belə, yalnız əsas vasitələrdən istifadə edərək asanlıqla quraşdırıla bilər. Dayanmadan tez təmir üçün idealdır.

| Bazar |
Ümumi gəlir (%) |
| Şimali Amerika |
15 |
| Cənubi Amerika |
10 |
|
Eastern Europe |
12 |
| Cənub-Şərqi Asiya |
10 |
| Şərqdə |
7 |
| Şərqi Asiya |
17 |
| Qərbi Avropa |
15 |
| Cənubi Asiya |
6 |
| Yerli bazar |
8 |
Qaba bitmiş kvadrat qozaşağı texniki xidmətə malikdir. İpin paslı və ya istifadə zamanı yıxıldığını yoxlayın. Örtük geyilirsə, onu dəyişdirin. Qoz duz mühitindədirsə, ipi yağlayın. Həddindən artıq sərtləşməyin. Qalın iplər yaxşı olanlardan daha asanlıqla düşür.